logo

جزئیات محصولات

Created with Pixso. خونه Created with Pixso. محصولات Created with Pixso.
دستگاه های حفاظت ولتاژ پایین
Created with Pixso.

Phoenix MACX MCR-T-UI-UP 2811394 temperature measurement module has high accuracy

Phoenix MACX MCR-T-UI-UP 2811394 temperature measurement module has high accuracy

نام تجاری: Phoenix
شماره مدل: 2811394
مقدار تولیدی: 1
قیمت: Negotiations
اطلاعات دقیق
محل منبع:
آلمان
حداکثر ولتاژ سوئیچینگ:
30 ولت AC/DC
حداکثر جریان سوئیچینگ:
1 A (30 ولت DC)
حداکثر سیگنال خروجی فعلی:
22 میلی آمپر
خروجی ولتاژ بار/خروجی:
≥ 10 کیلو Ω
جزئیات بسته بندی:
جعبه اصلی جدید
برجسته کردن:

Phoenix temperature measurement module,high accuracy temperature module,low voltage protection temperature sensor

,

high accuracy temperature module

,

low voltage protection temperature sensor

توضیحات محصول
Phoenix MACX MCR-T-UI-UP 2811394 temperature measurement module has high accuracy
Phoenix MACX MCR-T-UI-UP 2811394 temperature measurement module has high accuracy 0
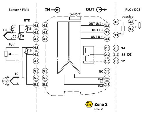
The Phoenix MACX MCR-T-UI-UP (Part No. 2811394) is a high-performance temperature measurement module that stands out for its exceptional accuracy, making it ideal for precision-critical industrial applications. Engineered to deliver reliable temperature detection and signal processing, this module seamlessly integrates with various temperature sensors to convert raw data into stable, industry-standard outputs, ensuring consistent and precise readings even in demanding operating environments. Its compact design and robust build enable easy integration into existing industrial control systems, catering to the needs of process control, manufacturing, and machinery monitoring where accurate temperature measurement is vital for operational efficiency and safety.